ESC Brushed home made....(pusing !!!!!!!!!!!! NEED Help)

Tentang radio , servo , gyro dan rangkaian elektronik

Moderator: widodo

User avatar
Dhonijember
Senior Airman
Senior Airman
Posts: 147
Joined: 12 Apr 2010, 12:08

ESC Brushed home made....(pusing !!!!!!!!!!!! NEED Help)

Post by Dhonijember »

kalo salah kamar ato udah pernah dibahas mohon koreksinya...
dapet rangkaian ESC brushed PWM dengan IC 555
bingung mo koneksi ke RX...(need help)

Image
1. Apa potensiometer diganti kabel ker RX (3 jalur) ?
2. Bagaimana memenentukan jalur negatif positif dan signal melalui jalur potensio tersebut ? (dgn asumsi yg ke RX lewat jalur potensio)
User avatar
yoyonh
Senior Master Sergeant
Senior Master Sergeant
Posts: 707
Joined: 01 Aug 2010, 23:16
Location: Bekasi
Contact:

Re: ESC Brushed home made....(pusing !!!!!!!!!!!! NEED Help)

Post by yoyonh »

Dhonijember wrote:kalo salah kamar ato udah pernah dibahas mohon koreksinya...
dapet rangkaian ESC brushed PWM dengan IC 555
bingung mo koneksi ke RX...(need help)

Image
1. Apa potensiometer diganti kabel ker RX (3 jalur) ?
2. Bagaimana memenentukan jalur negatif positif dan signal melalui jalur potensio tersebut ? (dgn asumsi yg ke RX lewat jalur potensio)


Om Coba yang ini deh
Image.

Coba IR Sensor nya yang di ganti ke konektor yang ke RX.
hati hati polaritasnya om, pin tengah RX itu yang positip.

atau coba buka disini
http://multyremotes.com/ic555-DC-Motor-application.htm

Kalau berhasil kasih tahu ya, saya juga mau nyoba :mwr :mwr :mwr
User avatar
Dhonijember
Senior Airman
Senior Airman
Posts: 147
Joined: 12 Apr 2010, 12:08

Re: ESC Brushed home made....(pusing !!!!!!!!!!!! NEED Help)

Post by Dhonijember »

yoyonh wrote:Om Coba yang ini deh
Image.

Coba IR Sensor nya yang di ganti ke konektor yang ke RX.
hati hati polaritasnya om, pin tengah RX itu yang positip.

Kalau berhasil kasih tahu ya, saya juga mau nyoba :mwr :mwr :mwr

wah belum dicoba yah?
gak brani
om dulu deh entar ane yang copas :thx :thx :pis
User avatar
yoyonh
Senior Master Sergeant
Senior Master Sergeant
Posts: 707
Joined: 01 Aug 2010, 23:16
Location: Bekasi
Contact:

Re: ESC Brushed home made....(pusing !!!!!!!!!!!! NEED Help)

Post by yoyonh »

Hihihi,
Kan udah tanggung setengah jalan om.
Ya udah pakai rangkaian Om Dhoni saja deh.

Potensio + Dioda di cabut (yang ke C1 nya otomatis diputus juga).

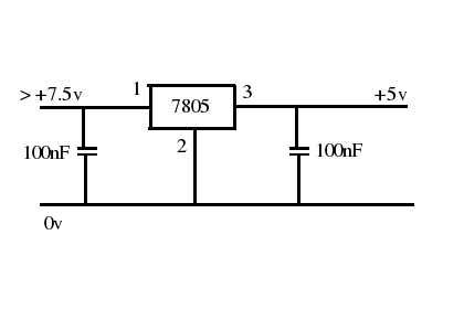
Pin RX Ground sambung ke Pin nomor 1 IC 555.
pin RX tengah di putus saja om (itu voltage 5V), supply RX nya ambil dari battere saja atau buat fix regulator ambil dari rangkaian, di set ke 5 Volt (bisa pakai 7805).
Image

Pin data RX sambung ke Pin nomor 3 rangkaian.

Jangan lupa om, kalau berhasil kasih khabar eike :mwr :mwr :mwr
User avatar
Dhonijember
Senior Airman
Senior Airman
Posts: 147
Joined: 12 Apr 2010, 12:08

Re: ESC Brushed home made....(pusing !!!!!!!!!!!! NEED Help)

Post by Dhonijember »

yoyonh wrote:Pin RX Ground sambung ke Pin nomor 1 IC 555.
pin RX tengah di putus saja om (itu voltage 5V), supply RX nya ambil dari battere saja atau buat fix regulator ambil dari rangkaian, di set ke 5 Volt (bisa pakai 7805).
Image
Pin data RX sambung ke Pin nomor 3 rangkaian.
Jangan lupa om, kalau berhasil kasih khabar eike :mwr :mwr :mwr

om tolong gambarin rangkaian lengkapnya (dari rangkaian ane) digabung ama rangkaian fix regulator
jadi ane tinggal buat rangkaiannya. :thx :thx :thx :thx
tambahan batre pake 3 sell
User avatar
christoffel
First Lieutenant
First Lieutenant
Posts: 1291
Joined: 04 Jan 2008, 13:42
Location: Pondok Chandra Surabaya

Re: ESC Brushed home made....(pusing !!!!!!!!!!!! NEED Help)

Post by christoffel »

Dhonijember wrote:1. Apa potensiometer diganti kabel ker RX (3 jalur) ?
2. Bagaimana memenentukan jalur negatif positif dan signal melalui jalur potensio tersebut ? (dgn asumsi yg ke RX lewat jalur potensio)

1. nggak bisa.
2. otomatis juga nggak bisa.

kaki no 3 dari IC555 itu merupakan output. karena itu ada 2 dioda D1 dan D2. D1 untuk charging, D2 untuk Discharging.
kaki 7 itu sebenarnya untuk discharge, tapi digunakan untuk output ke motor karena kaki ini yg kemampuan arusnya paling besar. (tapi tetap saja hanya bisa untuk motor kecil).
yg di sarankan om yoyon juga nggak bisa, karena kaki 3 itu output, bukan input (inputnya di no 2 dan 6). jadi kalau data dari RX disambungkan ke kaki no 3, ya malah nggak bereaksi oscilatornya.
coba gooling lagi deh ...
User avatar
Dhonijember
Senior Airman
Senior Airman
Posts: 147
Joined: 12 Apr 2010, 12:08

Re: ESC Brushed home made....(pusing !!!!!!!!!!!! NEED Help)

Post by Dhonijember »

christoffel wrote:
Dhonijember wrote:1. Apa potensiometer diganti kabel ker RX (3 jalur) ?
2. Bagaimana memenentukan jalur negatif positif dan signal melalui jalur potensio tersebut ? (dgn asumsi yg ke RX lewat jalur potensio)

1. nggak bisa.
2. otomatis juga nggak bisa.

kaki no 3 dari IC555 itu merupakan output. karena itu ada 2 dioda D1 dan D2. D1 untuk charging, D2 untuk Discharging.
kaki 7 itu sebenarnya untuk discharge, tapi digunakan untuk output ke motor karena kaki ini yg kemampuan arusnya paling besar. (tapi tetap saja hanya bisa untuk motor kecil).
yg di sarankan om yoyon juga nggak bisa, karena kaki 3 itu output, bukan input (inputnya di no 2 dan 6). jadi kalau data dari RX disambungkan ke kaki no 3, ya malah nggak bereaksi oscilatornya.
coba gooling lagi deh ...

mungkin om "christoffel" punya solusi buat bikin ESC home made murmer?
kalo yang ini om?
Image
User avatar
rasyidrisyad
Senior Master Sergeant
Senior Master Sergeant
Posts: 502
Joined: 24 Sep 2011, 12:38
Location: Sidoarjo - Surabaya

Re: ESC Brushed home made....(pusing !!!!!!!!!!!! NEED Help)

Post by rasyidrisyad »

Dhonijember wrote:
yoyonh wrote:Om Coba yang ini deh
Image.

Coba IR Sensor nya yang di ganti ke konektor yang ke RX.
hati hati polaritasnya om, pin tengah RX itu yang positip.

Kalau berhasil kasih tahu ya, saya juga mau nyoba :mwr :mwr :mwr

wah belum dicoba yah?
gak brani
om dulu deh entar ane yang copas :thx :thx :pis

... rangkaian persis ini saya belum coba pasti, tapi kaki2 IC nya yang dipakai mirip dengan rangkaian yg saya test (1th lalu) dan bisa berjalan dengan output Volt meter, lampu 12v dan osciloscope, kalo ke motornya kemungkinan tidak ada masalah juga .
User avatar
andreas13
Chief Master Sergeant
Chief Master Sergeant
Posts: 816
Joined: 12 Oct 2010, 01:22
Location: ((..(ungaran)..))

Re: ESC Brushed home made....(pusing !!!!!!!!!!!! NEED Help)

Post by andreas13 »

yoyonh wrote:

Om Coba yang ini deh
Image.

Coba IR Sensor nya yang di ganti ke konektor yang ke RX.
hati hati polaritasnya om, pin tengah RX itu yang positip.

atau coba buka disini
http://multyremotes.com/ic555-DC-Motor-application.htm

Kalau berhasil kasih tahu ya, saya juga mau nyoba :mwr :mwr :mwr



ijin copy gambar buat referensi :mwr :mwr :mwr :mwr
User avatar
abiazfa69
Technical Sergeant
Technical Sergeant
Posts: 378
Joined: 03 Jun 2009, 12:00
Location: Banyuwangi
Contact:

Re: ESC Brushed home made....(pusing !!!!!!!!!!!! NEED Help)

Post by abiazfa69 »

kalo dari bekas servo gini gimana Om?
Image
Post Reply